Характеристики sc15cl: Компрессор Secop (Danfoss) SC15CL | цена, характеристики
Компрессор Secop (Danfoss) SC15CL | цена, характеристики
Технические параметры в PDF Напряжение: 200-230V| КОМПРЕССОР: | SC15CL |
| Хладагент | R404A |
| Электропитание | 220 – 240V 1~ 50 Hz |
| Темп. всас. газа | 20,0°C |
| Переохл.жидкости | 0,0K |
Характеристики
- Объем цилиндра 15.28 cm³
- Число цилиндров / Диаметр / Ход поршня 1 / – / –
- Вес 13.8 kg
- Присоединение линии всасывания 10.2 mm
- Присоединение линии нагнетания 6.2 mm
- Электропотребление В/Гц/ф 200-230V / 50 / 1
- Пусковой ток
18.

6 A - Заправка масла 0.55 dm3
- Тип применения Низкотемпературный
- Серия компрессора SC
- Хладагент R404A/R507A
- Максимальный рабочий ток 6 A
Номер артикля 104L2853/195B0088
Холодопроизводительность компрессора Secop (Danfoss) SC15CL
| Evaporator Temp | 35 °C | 40 °C | 45 °C | 50 °C | 55 °C | 60 °C | 65 °C |
| -45 | 0.000 | 0.000 | 0.000 | 0.000 | 0.000 | 0.000 | 0.000 |
| -40 | 275.519 | 210.218 | 135.646 | 0.000 | 0.000 | 0.000 | 0.000 |
| -35 | 399.450 | 338.351 | 268.808 | 191.331 | 0.000 | 0.000 | 0.000 |
| -30 | 535. 116 | 474.428 | 406.192 | 330.742 | 248.646 | 0.000 | 0.000 |
| -25 | 687.168 | 622.994 | 552.229 | 475.042 | 391.743 | 0.000 | 0.000 |
| -20 | 860.336 | 788.651 | 711.383 | 628.545 | 540.195 | 0.000 | 0.000 |
| -15 | 1059.378 | 976.001 | 888.089 | 795.500 | 698.048 | 0.000 | 0.000 |
| -10 | 1289.343 | 1189.871 | 1086.939 | 980.250 | 869.356 | 0.000 | 0.000 |
| -5 | 1555.355 | 1435.093 | 1312.460 | 1186.988 | 1057.947 | 0.000 | 0.000 |
| 0 | 0.000 | 0.000 | 0.000 | 0.000 | 0.000 | 0.000 | 0.000 |
Мощность компрессора Secop (Danfoss) SC15CL
| Evaporator Temp | 35 °C | 40 °C | 45 °C | 50 °C | 55 °C | 60 °C | 65 °C |
| -45 | 0. 000 | 0.000 | 0.000 | 0.000 | 0.000 | 0.000 | 0.000 |
| -40 | 350.041 | 333.853 | 298.368 | 0.000 | 0.000 | 0.000 | 0.000 |
| -35 | 408.682 | 412.997 | 400.279 | 366.015 | 0.000 | 0.000 | 0.000 |
| -30 | 458.521 | 479.268 | 485.246 | 471.941 | 434.842 | 0.000 | 0.000 |
| -25 | 506.276 | 539.384 | 559.986 | 563.568 | 545.620 | 0.000 | 0.000 |
| -20 | 558.664 | 600.062 | 631.216 | 647.614 | 644.745 | 0.000 | 0.000 |
| -15 | 622.403 | 668.018 | 705.653 | 730.795 | 738.934 | 0.000 | 0.000 |
| -10 | 704.210 | 749.970 | 790.014 | 819.830 | 834.904 | 0.000 | 0.000 |
| -5 | 810. 801 | 852.636 | 891.018 | 921.434 | 939.373 | 0.000 | 0.000 |
| 0 | 0.000 | 0.000 | 0.000 | 0.000 | 0.000 | 0.000 | 0.000 |
Потребление тока компрессора Secop (Danfoss)
| Evaporator Temp | 35 °C | 40 °C | 45 °C | 50 °C | 55 °C | 60 °C | 65 °C |
| -45 | 0.000 | 0.000 | 0.000 | 0.000 | 0.000 | 0.000 | 0.000 |
| -40 | 2.835 | 2.864 | 2.830 | 0.000 | 0.000 | 0.000 | 0.000 |
| -35 | 2.998 | 3.055 | 3.050 | 2.982 | 0.000 | 0.000 | 0.000 |
| -30 | 3.171 | 3.257 | 3.280 | 3.242 | 3.141 | 0.000 | 0. 000 |
| -25 | 3.355 | 3.470 | 3.522 | 3.512 | 3.440 | 0.000 | 0.000 |
| -20 | 3.551 | 3.693 | 3.774 | 3.793 | 3.750 | 0.000 | 0.000 |
| -15 | 3.757 | 3.928 | 4.038 | 4.085 | 4.070 | 0.000 | 0.000 |
| -10 | 3.974 | 4.174 | 4.312 | 4.388 | 4.402 | 0.000 | 0.000 |
| -5 | 4.202 | 4.431 | 4.597 | 4.702 | 4.745 | 0.000 | 0.000 |
| 0 | 0.000 | 0.000 | 0.000 | 0.000 | 0.000 | 0.000 | 0.000 |
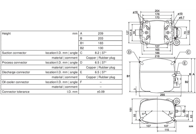
Чертеж компрессора Secop (Danfoss) SC15CL
Так же советуем посмотреть
- Фильтр осушитель SM 2-50 6/6 d=30
120
Есть в наличии
Производитель:
Соединение: 6mm – 1/4” - Фреон R 404а
6 531
Есть в наличииПроизводитель:
Хладон R404а – 10,9 кгХладон R404а – разновидность сжиженного газа без цвета, который находит применение в низко-, среднетемпературных установках холодильного назначения.
Он является смесью веществ, которую производят, исходя из конкретно определенной пропорции. Выступает заменой R502, R22, R12..Температура кипения: -46,3 °C Критическая температура: 72,1 °C Критическое давление: 3,732 МПа Плотность жидкости: 1,01 г/cм3 - Фреон R 507а
9 330
Есть в наличии Производитель:
Хладон R507а – 11,3 кгХладон R507а это бесцветный сжиженный газ не имеет запаха, рименяют в низко и среднетемпературных холодильных установках. Представляющий собой азеотропную смесь гидрофторуглеродных (ГФУ) продуктов: R125(50%) и R143a(50%).
Температура кипения: -46,7 °C Критическая температура: 71,0 °C Критическое давление: 3,72 МПа Плотность жидкости: 1.
173 г/cм3
Компрессор Danfoss SC15CL, код 104L2853, компрессор
Danfoss SC15CL,код 104L2853
Danfoss S-Series
Производитель: Danfoss
Серия: Danfoss S-Series
Модель: 104L2853
Наличие: Есть в наличии на складе
| Тип | SC15CL |
| Вес | 13.483 (Кг) |
| Применимый энергетический уровень | LBP C. |
| Одобрено | EN 60335-2-34 |
| Маркировка CE | CE |
| Смещение | 15,28 (см3) |
| Применяется с давлением всасывания | LBP |
| Тип мотора | CSIR |
| Объем масла | 550 (cm3) |
| Тип масла | POE |
| Тип упаковки | Industrial pack |
| Количество в упаковке | 80 PC (шт. ) |
| Основной хладагент | R404A |
| Максимальная заправка хладагентом | 1,30 (Кг) |
| Вес компрессора без электрического оборудования | 13,80 (Кг) |
| Вторичный хладагент | R507 |
| Вспомогательное крепление для кабеля | 103N1004 |
| Крышка для электрических компонентов | 103N2009 |
| Максимальная кратковременная температура обмотки | 135 (°C) |
| Максимальная стационарная температура обмотки | 125 (°C) |
| Количество фаз | 1 |
| Сопротивление вспомогательной обмотки | 14,10 (ом) |
| Сопротивление основной обмотки | 3,70 (ом) |
| Номинальное напряжение при 50Hz | 220-240 (V) |
| Ток включения с пусковым устройством типа HST | 18,6 (A) |
| Ток заторможенного ротора с пусковым устройством типа HST | 18,6 (A) |
| Стартовый конденсатор | 117U5017 |
| Емкость стартового конденсатора | 80 (uF) |
| Стартовое реле при использовании пускового устройства типа HST | 117U6019 |
| Болтовое соединение при использовании одиночного компрессора, 16 мм | 118-1917 |
| Болтовое соединение при использовании нескольких компрессоров, 16 мм | 118-1918 |
| Материал соединения для линии нагнетания | Сталь с медным покрытием |
| Материал штуцеров | Сталь с медным покрытием |
| Материал соединения для линии всасывания | Сталь с медным покрытием |
Возможные названия
компрессора: DanfossSC 15 CL,код 104 L 2853, DanfossSC-15-CL,код-104-L-2853, DanfossSC15, DanfossSC15CL,код, DanfossSC15CL,код104, DanfossSC15CL,код104L.
Компрессор Danfoss SC15CL (104L2853) – В сервис
Описание товара
Компрессор Danfoss SC15CL (104L2853) имеет высокую холодопроизводительность, компактность, расширенные функциональные возможности, низкий уровень шума, высокую надежность и эффективность.
Компрессор Danfoss SC15CL (104L2853) комплектуется:- Болтовое соединение для компрессора: 118-1917
- Пусковое реле: 117U6019
- Пусковой конденсатор: 117U5017 (START CAPACITOR 80µF, 220V — SC)
- Фиксатор для проводов: 103N1004
- Крышка: 103N2009
Поршневые компрессоры Danfoss оптимально подходят для использования в:
- компрессорно-конденсаторных агрегатах
- осушителях сжатого воздуха
- торговых предприятиях
- в хлебопекарной промышленности
- прилавках для мороженого
- низкотемпературных шкафах
- торговых автоматах
- машинах по производству мороженого
- фризерах
- морозильных аппаратах
- автоматах по производству напитков
- небольших холодильниках для грузовиков
- тепловых насосах
- контейнерах для охлаждения молока
- охладителях бутылок
Преимущества изделия компрессоров Danfoss
- Меньшие размеры компрессора или рабочий объем при аналогичной холодопроизводительности
- Более высокая холодопроизводительность
- Передовые технологии, позволяющие снизить уровень шума
- Низкая потребляемая мощность
- Высокая холодопроизводительность
- Улучшенный холодильный коэффициент
- Компактное пусковое оборудование
- Высокий пусковой момент
- Устойчивость к эксплуатации при высоких температурах
- Охлаждение маслом и через поверхность
- Встроенная защита обмоток
- Высокое качество
- Модели с различными напряжениями питания:
— 220-240 В, 50 Гц
— 208-230 В, 60 Гц (обращайтесь в компанию Данфосс)
— 115 В, 60 Гц (обращайтесь в компанию Данфосс) - Модели с возможностью эксплуатации на двух частотах электропитания
Герметичные поршневые компрессоры Данфосс имеют высокую холодопроизводительность, особенно при низких и сверхнизких температурах.
Это, например, компактность, расширенные функциональные возможности, низкий уровень шума, высокая надежность и эффективность.
Купить компрессор Danfoss SC15CL и любые другие комплектующие вы можете позвонив по телефону
Мы предоставляем услугу по замене компрессора Danfoss SC15CL
в городе Харьков и Харьковской области
Компрессор SC15CL HST R404a (LBP) (пром.уп.), Danfoss
Герметичный холодильный компрессор Danfoss SC15CL. Задача холодильного компрессора в холодильном агрегате заключается в отсасывании паров хладагента из испарителя холодильного агрегата, сжатия, и подачи их под давлением в конденсатор холодильной парокомпрессионной машины. Холодопроизводительность составляет 0,615 кВт (EN 12900, -35/+40, R404a). Преимущества SC15CL: Высокая эффективность. Компрессоры Данфосс отличаются низким уровнем энергопотребления при максимальной производительности.
Длительный ресурс работы. Оборудование надежно, конструктивно каждый компрессор Danfoss представляет собой современное техническое решение, основой которого является инновационные разработки в области холодильной техники. В состав комплекта входит: Компрессор, пусковое реле, пусковой конденсатор, крышка, разветвитель проводов, монтажный комплект.P / штс НДС актуально на 16.11.17
83,17 евро
цена в рублях привязана к курсу евро и обновляется ежедневно
Характеристика
| Производитель | Danfoss |
| Марка компрессора | Secop |
| Модель | SC |
| Тип компрессора | Герметичный поршневой |
| Назначение компрессора | Низкотемпературный |
| Холодильный коэффициент (EN 12900) | 1,10 |
| Регулирование производительности | Нет |
| Электропитание компрессора | 1 фаза/220 В/50 Гц |
| Диапазон холодопроизводительности (EN 12900) ,кВт | 0-1 |
| Холодопроизводительность (EN 12900), кВт | 0,615 |
| Высота, мм | 219 |
| Длина, мм | 255 |
| Ширина, мм | 151 |
| Масса нетто, кг | 13,8 |
| Количество масла, л | 0,55 |
| Уровень шума, dBA | 60 |
Габаритный чертёж спирального компрессора SC15CL
Компрессор SECOP SC15 CL (R404A) 104L2853
Компрессор Danfoss SC15 CL (R404A) 104L2853 – это поршневой герметичный компрессор для систем с малой производительностью для низких и высоких температур.
Преимуществами данного компрессора являются экономия электроэнергии, высокая эффективность и относительно долгий срок службы. Технически характеристики компрессора SC12CL (R404A) 104L2853 Тип Южная Каролина Стандарты Утверждение ЕС; EN 60335-2-34 Вспомогательные сопротивление обмотки (начало обмотки) для однофазных компрессоров [Ом] 14.1 Регулирование производительности Исправлена скорость Диаметр подключения разряда [мм] 6.2 Экономайзер Нет АСГ HST [] 18,6 Количество масла [см3] 550 Фаза 1 Угол Подключение к процессу [°] 37 Комментарии по технологическому присоединению Алюминиевый колпачок Диаметр подключения Процесс [мм] 6.2 Использование сегмента Холодильное EN Скорость платформы С постоянной скоростью Пусковой конденсатор capacitence 80 Комментарии всасывания соединения Алюминиевый колпачок Диаметр всасывающего подключения [мм] 10.2 Рабочий объем [см3] 15.28 50Hz Напряжение [В] 220 50Hz Напряжение [В][Макс] 240 Верхнее значение диапазона напряжений при 50 Гц [V] 254 Верхнее значение диапазона напряжений при 60 Гц [V] 0 Верхнее значение номинального напряжения при 50 Гц [V] 230 Верхнее значение номинального напряжения при 60 Гц [V] 0 Всасывающий патрубок, материал Си-сталь с покрытием Емкость конденсатора В 80 мкФ Заправка масла [cm3] 550 Заправка хладагентом [kg] 1.
3 Количество упаковок 80 Комментарии к соединению на линии нагнетания Алюминиевый колпачок Масса брутто 13.48 кг Нижнее значение диапазона напряжений при 50 Гц [V] 198 Нижнее значение диапазона напряжений при 60 Гц [V] 0 Нижнее значение номинального напряжения при 50 Гц [V] 220 Нижнее значение номинального напряжения при 60 Гц [V] 0 Номер модели SC15CL Номер чертежа 8258 Области применения LBP Обозначение типа Компрессор Обрыв питания HST [A] 18,6 Свободный объем газа [см3] 1510 Скорость вращения при 50 Гц [rpm] 2900 Скорость вращения при 60 Гц [rpm] 0 Соединение на линии нагнетания, материал Обмедненная сталь Сопротивление основной обмотки для однофазных компрессоров [Ohm] 3.7 Температура обмотки, кратковременно [°C] 135 Температура обмотки, постоянно [°C] 125 Технологический разъем, материал Обмедненная сталь Технология Поршневой Тип двигателя СНПИ Тип масла Полиэфирное масло Тип несущей панели Универсальный Торговое название Поршневой компрессор Угол всасывающего патрубка [°] 37 Угол нагнетающего патрубка [°] 37 Фазы (вентилятор) 1 Фазы (компрессор) 1 Формат упаковки Общая упаковка Хладагент R404A; R507 Частота [Hz] 50 Энергетический уровень для области применения Стандартный компрессор LBP • Болтовое соединение, кол-во, 16 мм 118-1918 • Болтовое соединение, кол-во, 16 мм Описание Болтовое соединение • Болтовое соединение, компрессор, 16 мм 118-1917 • Болтовое соединение, компрессор, 16 мм Описание Монтажные принадлежности • Крышка электрошкафа 103N2009 • Крышка электрошкафа Описание Крышка SC 220B • Пусковое реле HST 117U6019 • Пусковое реле HST Описание Пусковое реле SC • Пусковой конденсатор 117U5017 • Пусковой конденсатор Описание Пусковой конденсатор 80 мкФ • Разгрузка натяжения кабеля 103N1004 • Разгрузка натяжения кабеля Описание Разгрузка натяжения кабеля SC • Установку на 16 мм в количестве 118-1919 • Кнопка на в количестве 16 мм Описание Snap-на
104L2853 Компрессор SC15CL (R404A) / Компрессора Danfoss / Компрессора / Каталог продукции
Характеристики товара «104L2853 Компрессор SC15CL (R404A)»
| Фреон | 404 |
| Упаковка (Обрешетка) Габариты | Индивидуальная коробка |
| Аналог | MX 16FB |
| Объём V цилиндров, см3 | 15,28 |
Описание товара «104L2853 Компрессор SC15CL (R404A)»
Danfoss — датская машиностроительная компания, один из крупнейших международных концернов по производству тепловой автоматики, холодильной техники, приводной техники и промышленной автоматики.
Герметичные компрессоры Danfoss производятся с 1951 года и с самого начала зарекомендовали себя как надежные, эффективные компрессоры для бытового и торгового холода. Несмотря на высокий уровень качества, конструкция компрессоров постоянно совершенствуется. С момента начала производства до настоящего дня выпущено более 220 млн. компрессоров, каждый год объем производства увеличивается. Практически нет ни одного производителя бытовых холодильников и торгового оборудования, который бы не использовал в своих изделиях компрессоры «Danfoss».
Компания Danfoss – ведущий поставщик устройств автоматики, управления и комплексных решений автоматизации холодильных установок и систем кондиционирования.
Когда инженер Мадс Клаузен (Mads Clausen) изготовил свой первый рабочий дроссельный вентиль для холодильных систем в 1932 году, он был назван Danfoss…
Danfoss – один из крупнейших промышленных концернов Дании. Является лидером в области научных исследований, разработок, производства, продаж и сервисного обслуживания механических и электронных компонентов для нескольких отраслей промышленности.
Концерн Danfoss стремится потреблять минимальное количество сырья и энергии, снижать негативное воздействие на окружающую среду и наиболее эффективно использовать ресурсы. В компании сильны традиции ответственного отношения к сотрудникам и окружающей среды.Компания Danfoss объединяет десятки современных предприятий на четырех континентах, имеет дочерние компании и торговые представительства более чем в 100 странах мира.Документация товара «104L2853 Компрессор SC15CL (R404A)»
Отзывы о товаре «104L2853 Компрессор SC15CL (R404A)»
Сопутствующий товары – «104L2853 Компрессор SC15CL (R404A)»
| Тип | SC15DL |
| Вес | 12.67 [кг] |
| Прим. энерг. уровень | MBP/HBP C. |
| Одобренный | EN 60335-2-34 |
| Болтовое соединение для одного компрессора, 16 мм | 118-1917 |
| Болтовое соединение в количестве, 16 mm | 118-1918 |
| Длина кабеля [мм] | 470 mm |
| Длина кабеля 2 [мм] | 550 mm |
| Длина кабеля 3 [мм] | 650 mm |
| CE маркировка | CE |
| Вспомогательный шнур | 103N1004 |
| Крышка, электрические компоненты | 103N2009 |
| Токовый ввод HST [A] | 21,8 A |
| Материал присоединения линиит нагнетания | Сталь с медным покрытием |
| Смещение [см3] | 15,28 cm3 |
| Применение (LBP/MBP/HBP) | MBP/HBP |
| Ток при Заторможенном Роторе HST [А] | 21,8 A |
Макс. кратковременная температура обмотки [°C] | 135 °C |
| Макс. стационарная температура обмотки [°C] | 125 °C |
| Тип двигателя | CSIR |
| Количество фаз | 1 |
| Объём масла [см3] | 600 cm3 |
| Тип масла | Синтетическое масло (POE) |
| Вид упаковки | Industrial pack |
| Штуцер, наименование материала | Сталь с медным покрытием |
| Количество в упаковке | 80 PC |
| Макс. заправка хладагента | 1,30 kg |
| Хладагенты | R404A R507 R407C |
| Сопротивление вспомогательной обмотки [Ом] | 12,10 Ohm |
| Сопротивление основной обмотки [Ом] | 3,50 Ohm |
| Емкость рабочего конденсатора | 10,0 uF |
| Емкость пускового конденсатора [uF] | 80 uF |
| Пусковое устройство эл. блока 1 | 117-7028 |
Пусковое устройство эл. блока 2 | 117-7029 |
| Пусковое устройство эл. блока 3 | 117-7032 |
| Всасывающий патрубок, наименование материала | Сталь с медным покрытием |
| Обозначение типа | SC15DL |
| Напряжение 50Гц номинальное [В] | 220-240 V |
| Вес компрессора [кг] | 13,50 kg |
(коммерческая серия SC15CL) Производители, поставщики, завод
Универсальный компрессор SECOP 3 / 8HP SC15G с R134a
Введение в продукт
SECOP Герметичные поршневые компрессоры R134A
000
000 Модель 5 Мощность : 220-240 В
Частота: 50/60 Гц
Цвет: черный
Тип двигателя: CSIR
Противодавление: низкое / высокое
Рабочий объем (см3): 15.28
Количество масла, тип (см3): 600
Компрессоры на поддоне: 80
Транспортная упаковка: деревянная упаковка
Код ТН ВЭД: 8414301900
Характеристика продукта
Модель | Электрический Источник | Мощность (л. | 234 | R134a | Низкий / высокий |
SC12G | 220V-240V 50 Гц | 1 / 3HP | Низкий / Высокий | ||
SC15G | 220В-240В 50 Гц | 9 0043R134a | Низкий / Высокий | ||
SC21G | 220V-240V 50 Гц | 5 / 8HP | 469 | ||
SC10CL | 220–240 В, 50 Гц | 1 / 3HP | 250 | R404A | Низкий | 240 В 50 Гц | 1 / 2HP | 375 | R404A | Низкий 90 005 |
Наш продукт
Герметичный спиральный компрессор,
Герметичный поршневой компрессор,
Полугерметичный поршневой компрессор,
Винтовой компрессор,
Герметичный конденсаторный агрегат с воздушным охлаждением
Конденсаторный агрегат с воздушным охлаждением,
Полугерметичный компрессорно-конденсаторный агрегат с водяным охлаждением,
Параллельный поршневой компрессорный агрегат,Винтовой компрессорный агрегат,
Конденсатор с воздушным охлаждением, воздушный охладитель,
Льдогенератор для производства блоков льда,
Хранение свежих продуктов, морозильная камера, камера быстрой заморозки
, большая морозильная камера и т.
Д.
Наша служба
1) Хорошо обученный и опытный персонал ответит на все ваши вопросы на английском языке.
2) Ваши деловые отношения с нами будут конфиденциальными для любой третьей стороны.
3) Быстрый ответ, все ваши запросы будут даны ответы в течение 12 часов.
4) Поддержка множественных платежей, поддержка заказов в любых странах, обслуживание по всему миру.
5) Срок поставки: Ваш груз будет загружен в течение 10-15 дней, в зависимости от количества.
6) Продукция может быть изготовлена по индивидуальному заказу с хорошим качеством и довольно конкурентоспособной ценой.
7) Перед отгрузкой компрессоры проходят испытания.
Мы ждем ваших проверок на поршневой компрессор (коммерческая серия SC15CL). Трудолюбие и дальновидность – это дух нашей компании, прагматизм и новаторство – философия нашей компании, а совместная работа и настойчивость – воля предприятия. Мы всегда сохраняем скромный и осмотрительный подход, берем интересы клиентов как основу, скорость как критерий и качество как стандарт, чтобы клиенты могли наслаждаться отличным послепродажным обслуживанием.
Компрессор Danfoss SC SC15CL (R404a)
Описание продукта
Этот однофазный герметичный поршневой компрессор Danfoss SC 2 / 3HP, изготовленный специально для домашнего и легкого коммерческого использования, был разработан Secop для Danfoss и обеспечивает отличную охлаждающую способность наряду с высоким уровнем энергоэффективности.
Характеристики продукта
- Компактная конструкция
- Прочный корпус
- Оптимизированная моторная техника
- Совместим с хладагентом с низким ПГП
| Бренд: | Данфосс |
|---|---|
| Подключение: | Трубка |
| Тип подключения: | Трубка |
| Для использования с: | Хладагенты HFC, HCFC и CFC |
| Номер модели: | SC15CL |
| Диапазон: | SC |
| Название диапазона: | SC |
| Диапазон Тип: | Герметичные компрессоры |
| Напряжение (В): | 220–240 |
| Гарантия: | 1 год |
| Вес: | 14. 4 кг |
| Электроснабжение: | 230 В / одна фаза / 50 Гц |
| Фаза: | 1 |
| Хладагент: | R404A |
| Пригодность хладагента: | R-404A / R-452A |
| Размер трубного соединения (мм): | 10,2 |
| Мощность в лошадиных силах: | 2/3 л.с. |
| Устройство расширения: | РЕЗЮМЕ |
| Компрессор: | 104L2853 |
| Включенных компонентов: | Компрессор, реле, пусковой конденсатор 80 мкФ, крышка, разгрузка шнура, монтажные аксессуары. |
| Диапазон применения: | LBP – низкое противодавление |
Охлаждающие компрессоры серии: 8FE, BD, SC, J, Billig Kaufen Mit Lieferung
Компрессоры
В нашем магазине кухонного оборудования вы найдете широкий ассортимент высококачественных герметичных и полугерметичных компрессоров и аксессуаров для холодильников, морозильников, холодильников, морозильников и кондиционеров.
У нас вы можете выбрать одного из ведущих производителей компрессоров, таких как ACC Cubigel, Aspera Embraco, Copeland, Danfoss, Hitachi, LG, Maneurop, Tecumseh L’Unite, Bitzer или Dorin. Эти производители производят спиральные компрессоры, роторные компрессоры, роторно-поршневые компрессоры, поршневые компрессоры и воздуходувки, которые находят коммерческое и бытовое применение в системах охлаждения и кондиционирования воздуха. Компенсаторы и конденсаторные агрегаты подходят для всех распространенных хладагентов и доступны в высоком (HBP), среднем (MBP), низком (LBP) и климатическом (AC) диапазонах.Обширные аксессуары, такие как реле, клапаны Rotalock, тефлоновая прокладка, адаптер Rotalock, винтовой адаптер Rotalock и нагревательный кабель, дополняют ассортимент в этой группе продуктов. Заказанные товары будут доставлены вам в кратчайшие сроки по разумным ценам. Если у вас есть вопросы или проблемы, вы можете связаться с нами в любое время. Мы рады Вам помочь.
Герметичные компрессоры
Среди всемирно известных производителей герметичных компрессоров такие бренды, как Danfoss, Copeland, Aspera (Embraco), ACC, Maneurop, Tecumseh (L’Unite), Bristol, Hitachi, LG, Sanyo, Boyard, GMCC.
Высококачественные компрессоры подходят для целенаправленного точечного охлаждения в мобильном секторе и для стационарных применений. Большинство компрессоров поставляются в комплекте с электрооборудованием, оборудованием для очистки масла и хладагента и монтажными принадлежностями. Компрессоры с высоким КПД различаются по типу хладагента (R134a, R410A, R404a, R507, R407C, R600A, R290), диапазону температуры испарения (LBP / MBP / HBP), напряжению питания, рабочему объему и охлаждающей способности, а также типу масляного соединения, Измерения , Вес и уровни шума.Наши компрессоры потребляют мало энергии, имеют компактные размеры, работают высокоэффективно даже при более высоких температурах окружающей среды. Полностью герметичные компрессоры подходят для небольших холодильных камер, таких как климатические камеры, морозильные и морозильные камеры, небольшие холодильники и водонагреватели для бытовых нужд. Обширные аксессуары, такие как нагревательные элементы, клапаны Rotalock, адаптеры и пусковые устройства, дополняют предложение по каталогу в этой группе продуктов.
Помимо полностью герметичных компрессоров, мы также предлагаем множество комплектных агрегатов (Disposition).
Полугерметичные компрессоры
Среди ведущих производителей полугерметичных компрессоров такие бренды, как Bitzer и Dorin. Поршневые компрессоры Bitzer компактны, полностью годны для использования и подходят для большинства хладагентов.Они также имеют эффективные двигатели с охлаждением всасываемого газа, высококачественные клапанные пластины и широкий спектр регуляторов мощности. Компактные полугерметичные винтовые компрессоры предназначены для коммерческого и промышленного применения. Низкий уровень шума, низкий уровень шума. вибрационные агрегаты известны во всем мире своей высокой охлаждающей способностью и минимальным потреблением энергии. Популярные высокие и низкие температуры испарения (+12.5 C to-30) предназначены для хладагентов R134a, R407c, R404a, R507a и рассчитаны на напряжение питания 380-400 В.
Не менее важны поршневые компрессоры и комплектные агрегаты (компрессорно-конденсаторные агрегаты), производимые ведущей в мире итальянской семейной компанией Dorin, основными характеристиками которых являются, прежде всего, производительность, надежность и надежность.
Компрессоры Dorin совместимы с хладагентами R404A, R407C, R507, R134a, R507 и имеют диапазон температур испарения LBP, MBP, HBP.Их производительность колеблется от 0,5 до 150 л.с. Объем конвейера от 2,89 м3 / ч до 399,72 м3 / ч, напряжение 380-420В. Энергоэффективные и малошумные компрессоры Dorin оснащены защитой двигателя от перегрева.
Помимо полугерметичных компрессоров, мы также предлагаем широкий ассортимент дополнительных принадлежностей (адаптер для K&K). Коллекторы жидкостей, дроссельные заслонки, уплотнения запорных клапанов, комплектные прокладки, поршни, нагреватели и двигатели, а также стартовые разгрузочные устройства, крышки крышек, прокладки компрессоров, комплекты основного корпуса, нагреватели для нагрева и охлаждения Компрессоры, датчики давления масла, клапан тарелки и поршни для компрессоров) в зависимости от предлагаемых производителей Bitzer или Dorin.
компрессор danfoss hp r404a, компрессор danfoss hp r404a Производители и поставщики на everychina.
comДанфосс 110в 2 хладагент блока Р404а компрессора хладагента ХП
Shandong Ourfuture Energy Technology Co., ООО |
тип параллельный компрессор свитка мясного магазина 15-90 л.с. Данфосс Герметик
Shandong Ourfuture Energy Technology Co. |
Shandong Ourfuture Energy Technology Co., ООО |
блок компрессора рефрижерации
Данфосс, небольшой конденсатор рефрижерации холодильного склада
Shandong Ourfuture Energy Technology Co. |
ГЕРМЕТИЧЕСКИЙ ХОЛОДИЛЬНЫЙ КОМПРЕССОР ДЛЯ СЕТЕЙ СУПЕРМАРКЕТОВ
Компания Weitai Compressor Co., ООО |
Герметичный холодильный компрессор для холодильных камер
Компания Weitai Compressor Co. |
ХОЛОДИЛЬНЫЙ КОМПРЕССОР ДЛЯ СЕТЕЙ СУПЕРМАРКЕТОВ
Компания Weitai Compressor Co., ООО |
НИЗКИЙ НАЗАД ХОЛОДИЛЬНЫЙ КОМПРЕССОР, 0,75 ЛС
Компания Weitai Compressor Co. |
R404A КОНДЕНСАТОР ХОЛОДИЛЬНОГО КОМПРЕССОРА
Компания Weitai Compressor Co., ООО |
ХОЛОДИЛЬНЫЙ КОМПРЕССОР LANHAI ГОРИЗОНТАЛЬНЫЙ
Компания Weitai Compressor Co. |
Отправьте запрос « danfoss hp r404a компрессор » за минуту:
Характеристика | Значение |
Тип | SC |
Вес нетто | 13.99 кг |
Уровень энергии приложения | Стандартный компрессор LBP |
Приложения | LBP |
Сертификационные стандарты | CE |
Сопротивление вспомогательной обмотки (пусковой) однофазных компрессоров [Ом] | 14. |
Тип опорной плиты | Универсальный |
Емкость конденсатора B | 80 мкФ |
Включенный ток HST [A] | 18.6 |
Угол нагнетательного патрубка [°] | 37 |
Комментарии к напорному патрубку | Алюминиевый колпачок |
Диаметр напорного патрубка [мм] | 6.2 |
Материал напорного патрубка | Сталь с медным покрытием |
Номер чертежа | 8258 |
Объем свободного газа [см3] | 1510 |
Масса брутто | 13. |
Высокое значение диапазона напряжения при 50 Гц [В] | 254 |
LRA HST [A] | 18,6 |
Нижнее значение диапазона напряжения при 50 Гц [В] | 198 |
Сопротивление главной обмотки однофазных компрессоров [Ом] | 3.7 |
Номер модели | SC15CLX.2 |
Тип двигателя | CSIR |
Количество фаз (компрессор) | 1 |
Заправка маслом [см3] | 550 |
Тип масла | POE |
Угол технологического присоединения [°] | 37 |
Комментарии к технологическому присоединению | Алюминиевый колпачок |
Диаметр технологического присоединения [мм] | 6. |
Материал присоединения к процессу | Сталь с медным покрытием |
Хладагент | R404A; R507 |
Заправка хладагента [кг] [Макс] | 1.3 |
Угол всасывающего патрубка [°] | 37 |
Комментарии к всасывающему патрубку | Алюминиевый колпачок |
Диаметр всасывающего патрубка [мм] | 10.2 |
Рабочий объем [см3] | 15,28 |
Обозначение типа | Компрессор |
Напряжение 50 Гц [В] | 220 |
Напряжение 50 Гц [В] [Макс] | 240 |
Кратковременная температура обмотки [° C] [Макс] | 135 |
Стат. | 125 |
• Компрессор с болтовым соединением 16 мм | 118-1917 |
• Компрессор с болтовым соединением 16 мм Описание | МОНТАЖНЫЕ ПРИНАДЛЕЖНОСТИ |
• Количество болтовых соединений 16 мм | 118-1918 |
• Количество болтовых соединений 16 мм Описание | Болт |
• Разгрузочный шнур | 103N1004 |
• Разгрузка шнура Описание | Разгрузка шнура SC |
• Крышка электрика | 103N2009 |
• Электрика крышки Описание | Крышка SC 220V |
• Защелка | 118-1919 |
• Защелка Описание | Защелка |
• Пусковой конденсатор | 117U5017 |
• Пусковой конденсатор Описание | Пусковой конденсатор 80 мкФ |
• Пусковое реле HST | 117U6019 |
• Пусковое реле HST Описание | Пусковое реле SC |
3.
8 куб. Футов минус 60 градусов Низкое энергопотребление при сверхнизкой температуре 100-литровый морозильный ларь novo по оптовым ценамВведение:
Морозильник используется для хранения глубоководных морепродуктов, таких как тунец, рыба-меч и т. Д., В сфере морепродуктов и общественного питания ; используется для замораживания биологических образцов, образцов, материалов и реагентов в лабораториях; Морозильник также можно использовать для низкотемпературных испытаний электронных и химических материалов в промышленности.
Характеристики продукта:
Технология и производительность
Наша собственная запатентованная технология для автокаскадной одноступенчатой компрессионной холодильной системы и рецепт для смешанных хладагентов без CFC
.
Превосходные характеристики: сильное и быстрое охлаждение, более низкая конечная температура;
Высокая эффективность и энергосбережение;
Простая структура системы, низкий процент отказов;
Низкий уровень шума.
Конструкция и компоненты:
Компрессор мировых брендов : компрессор Embraco или SECOP, высокая мощность, надежность и длительный срок службы;
Термостат мирового бренда : итальянский регулятор температуры Dixell, высокая точность регулирования, цифровой дисплей температуры, сигнализация неисправности датчика высокой / низкой температуры, простота в эксплуатации;
Немецкий двигатель вентилятора конденсатора EBM : сильный и надежный, низкий уровень отказов, длительный срок службы;
Испаритель с медной трубкой , очень низкая внутренняя утечка, отличный теплообмен;
SUS304 интерьер , здоровый и красивый, легко чистится;
Двойные дверные прокладки , обеспечивают хорошее уплотнение;
Более толстая изоляция снижает энергопотребление.
Самоблокирующиеся тяжелые ролики
С функцией самоблокировки, большой несущей силой, легко перемещаются Высококачественная фурнитура
Вот приводные колеса и дверные петли; Заявка:
Выставка продуктов
Информация о компании Упаковка и доставка FAQQ: Какой способ оплаты вы можете принять?
A: Обычно способ оплаты – T / T или торговая гарантия, если у вас есть другой способ оплаты, пожалуйста, сообщите нам.
Мы можем обсудить вместе.
Q: Как можно гарантировать качество машины?
A: Международный производственный процесс и профессиональная система контроля качества нашей фабрики – лучшая гарантия высокого качества. И перед отправкой машины мы сделаем для вас самое лучшее видео, после того, как вы подтвердите его, мы отправим его
Q : Каково ваше MOQ машины, можете ли вы дать мне скидку?
A: MOQ машины – 1 комплект. мы можем обсудить цену на актуальный заказ.И цена зависит от вашего количества, мы тоже можем договориться).
Q: Организуете ли вы отгрузку машины?
A: Да, уважаемый, по цене FOB или CIF мы организуем для вас доставку. Мы обеспечим. поддерживайте, пока не получите машину.
Q: Сколько времени занимает доставка?
A: Для стандартных машин это 3-5 дней; для нестандартных машин и машин, изготовленных по индивидуальному заказу в соответствии с требованиями заказчика, это будет 15 дней.
(PDF) Термическая стабильность и разложение диглицидилового эфира бисфенола А, модифицированного различными наноглинами, под воздействием УФ-излучения
5. Заключение
Влияние различных монтмориллонитовых наноглин на свойства
эпоксидной смолы DGEBA было изучено с использованием различных методов.
На основании результатов различных методов характеризации можно сделать следующие
выводы;
– Различные монтмориллонитовые наноглины по-разному влияют на
отверждение эпоксидной смолы с образованием нанокомпозита с наноглиной
– Термические свойства нанокомпозитов определяются изменением поверхности
– Изменение поверхности может влиять на взаимодействие глины / глины эпоксидная смола
молекул с ультрафиолетовыми лучами, ведущая к лучшему удерживанию материала
прочность после УФ состояния.
Благодарность
Автор хотел бы выразить признательность следующим финансирующим
агентствам за их финансовую поддержку в этом исследовании; AL-EPSCoR и
ONR, Комиссия по высшему образованию штата Алабама для получения стипендий.
Ссылки
[1] Павлиду С., Папаспиридес CD. Обзор полимерно-слоистого силикатного композита нано-
. Prog Polym Sci 2008; 33 (12): 1119e98.
[2] Александр М., Дюбуа П. Полимерно-слоистые силикатные нанокомпозиты: препараты
, свойства и применение нового класса материалов.Mater Sci Eng R 2000;
28 (1e2): 1e63.
[3] LeBaron PC, Wang Z, Pinnavaia TJ. Полимерно-слоистые силикатные нанокомпозиты:
обзор. Appl Clay Sci 1999; 15 (1e2): 11e29.
[4] Кумар М.А., Редди К.Х., Редди Ю.В.М, Редди Р.Г., Найду С.В. Улучшение
свойств растяжения и изгиба в эпоксидных / глиняных нанокомпозитах, армированных катушкой из стекловолокна
. Int J Polymer Mater 2010; 59 (11): 854e62.
[5] Lakshmi MS, Narmadha B, Reddy BSR.Повышенная термическая стабильность и структурные характеристики различных материалов MMT-Clay / эпоксидных нанокомпозитов.
Polym Degrad Stab 2008; 93 (1): 201e13.
[6] Leszczynska A, Njuguna J, Pielichowiski K, Banerjee JR. Полимер / монтмор-
иллонитовые нанокомпозиты с улучшенными термическими свойствамиdчасть II. Термическая стабильность
нанокомпозитов монтмориллонита на основе различных полимерных матриц
. Thermochim Acta 2007; 454 (1): 1e22.
[7] Messersmith PB, Giannelis EP.Синтез и барьерные свойства поли (кэп-
ролактон) слоистых силикатных нанокомпозитов. J Polym Sci Pol Chem 1995;
33 (7): 1047e57.
[8] Manias E, Polizos G, Nakajima H, Heidecker MJ. Основы технологии полимерных нанокомпозитов
в огнестойких полимерных нанокомпозитах.
Хобокен, Нью-Джерси: Уайли; 2007.
[9] Gilman JW. Исследования горючести и термостойкости полимерных слоистых силикатных (глинистых) нанокомпозитов
.
Appl Clay Sci 1999; 15 (1e2): 31e49.
[10] Блюмштейн А. Полимеризация адсорбированных монослоев: II. Термическая деструкция
вставленных полимеров. J. Polym Sci Pol Chem, 1965; 3 (7): 2665e72.
[11] Woo RSC, Kim JK, Leung CKY, Chen YH, Zhu HG, Li J. Деградация в окружающей среде эпоксидно-органоглинистых нанокомпозитов из-за воздействия ультрафиолета. Часть I фото-
деградация. Compos Sci Technol 2007; 67 (15e16): 3448e56.
[12] Пандей Дж. К., Ранхуната Р.К., Пратхип К.А., Сингх Р.П.Обзор способности
к разложению полимерных нанокомпозитов. Polym Degrad Stab 2005; 88 (2):
234e50.
[13] Шокрие М.М., Баят А. Действие ультрафиолетового излучения на механические свойства композитов стекло / полиэфир. J Compos Mater 2007; 41: 2443e55.
[14] Морлат-Териас С., Майлхот Б., Гонсалес Д., Гардетт Дж. Л.. Фотоокисление нанокомпозитов
полипропилен / монтмориллонит. 2. Взаимодействие с антиоксидантами
. Chem Mater 2005; 17: 1072e8.
[15] Цинь Х, Чжан З., Фэн М., Гонг Ф, Чжан С., Ян М. Влияние катионов промежуточного слоя
на фотоокислительную деградацию композитов полиэтилен / монтмориллонит
. J. Polym Sci Pol Phys 2004; 42: 3006e12.
[16] Морлат С., Майлхот Б., Гонсалес Д., Гардетт Дж. Л.. Фотоокисление нанокомпозитов поли-
пропилен / монтмориллонит. 1. Влияние наноглины и агента совместимости
. Chem Mater 2004; 16: 377e83.
[17] Rabek JF.Фотодеградация полимеров: физические характеристики и применение
катионов. Берлин: Спрингер; 1996.
[18] Xidas PI, Triantafyllidis KS. Влияние типа модификатора алкиламмоний-ионной глины
на структуру и термические / механические свойства стеклообразных и каучукообразных эпоксидных нанокомпозитов
. Eur Polym 2010; 46 (3): 404e17.
[19] Корнманн Х, Линдберг Х, Берглунд Л.А. Синтез и исследование нанокомпозитов из термореактивной глины
.J. Polym 2001; 42: 1303e10.
[20] Фан-Лонг Дж.
, Кьонг-Йоп Р., Су-Джин П. Обработка поверхности монтмориллонита на
термической стабильности композитов нано-
диглицидилдиметакрилата бисфенола-А. Mater Sci Eng A 2006; 435-436: 429e33.
[21] Ray SS. Реология нанокомпозитов полимер / слоистый силикат. Ind Eng Chem
2006; 12 (6): 811e42.
[22] Кришнамурти Р., Рен Дж., Сильва А.С.. Отклик на сдвиг слоистых силикатных композитов нано-
.J. Chem Phys 2001; 114 (11): 4968e73.
[23] Knauert ST, Douglas JF, Starr FW. Влияние формы наночастиц на реологию и прочность на разрыв полимер-
нанокомпозита. J Polym Sci Pol Phys 2007;
45 (14): 1882e97.
[24] Роман Ф, Монтсеррат С, Хатчинсон Дж. М.. О влиянии монтмориллонита в
на реакцию отверждения эпоксидных нанокомпозитов. J Therm Anal Calorim 2007;
87 (1): 113e8.
[25] Карраско Ф., Пажес П. Термическое разложение и стабильность эпоксидных нанокомпозитов
: влияние содержания монтмориллонита и температуры отверждения.
Polym Degrad Stab 2008; 93 (5): 1000e7.
[26] Guillet JE. Фундаментальные процессы УФ-деградации и стабилизации
полимеров. Pure Appl Chem 1972; 1 (30): 135e44.
[27] Стандарт ASTM D4065-06. Стандартный метод испытаний D4065-06 стандартная практика
для пластмасс: динамические механические свойства: определение и протокол
процедур. Вест Коншохокен, Пенсильвания: Американское общество тестирования и тестирования материалов Ма-
; 2006.
[28] Стандарт ASTM D696-08.Стандартный метод испытания коэффициента линейного термического расширения пластмасс. Вест Коншохокен, Пенсильвания: Американское общество испытаний и материалов
; 2008.
[29] Флинн Дж. Х., Уолл Л. А.. Быстрый и прямой метод определения энергии активации
по термогравиметрическим данным. J Polym Sci Pol chem
1966; 4 (5): 323e8.
[30] Одзава Т. Кинетический анализ производных кривых в термическом анализе. J Therm
Анал Калорим 1970; 2: 301e24.
[31] Киссинджер HE. Кинетика реакций в дифференциально-термическом анализе. J. Anal Chem
1957; 29 (11): 1702e6.
[32] Coats AW, Redfern JP. Кинетические параметры по термогравиметрическим данным II.
J Polym Sci Pol Lett 1965; 3 (11): 917e20.
[33] Горовиц Х. Х., Мецгер Г. Новый анализ термогравиметрических следов. J Anal
Chem 1963; 35 (10): 1464e8.
[34] Чан И-Н, Цзюань Т-И, Ляо И-Л, Дай С.А., Лин Дж-Дж. Получение нанокомпозитов глина / эпоксид
самополимеризацией, инициированной слоями двойного гидроксида.
Polym J 2008; 49 (22): 4796e801.
0
0,05
0,10
0,15
0,20
100015002000
Немодифицированный композит SC15
SC15 / I.28E Нанокомпозит
SC15 / I.28E Nanocomposite
SC 15 / CL-10A
1168 см 797 см
1256 см
1710 см
Волновое число, см-1
Абсорбция
(a)
0
0,05
30003500
SC15 / CompositeНанокомпозит 28E
Нанокомпозит SC 15 / CL-10A
Нанокомпозит SC 15 / CL-30B
Волновое число, см-1
Поглощение
(b)
Рис.

116
000
801
000
Он является смесью веществ, которую производят, исходя из конкретно определенной пропорции. Выступает заменой R502, R22, R12..
173 г/cм3
кратковременная температура обмотки [°C]
блока 2
4 кг
, ООО
, ООО
, ООО
, ООО
, ООО
1
99 кг
2
Температуры обмотки [° C] [Макс]